產品分類
products
聯係麻豆一区二区 / contact us
地址:上海市金山區楓涇鎮環東一路
郵編:201507
網址:www.missing-tea.com
銷售部
手機:15068285565
電話:021-5648 0189
傳真:021-5186 1633
商務QQ:3038069780
SL型玻璃麻豆成人APP下载
當前位置:首頁 > SL型玻璃麻豆成人APP下载SL型玻璃麻豆成人APP下载
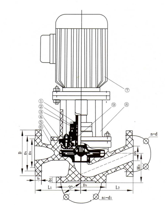
SL型玻璃麻豆成人APP下载為單級單吸離心式麻豆成人APP下载。屬新型節能泵,介質過流部分全部采用改性酚醛玻璃鋼經高溫高壓工藝精心製作而成,具有強耐腐蝕、高耐溫性、重量輕、比強度高、不變形等優點。該泵設計選型先進,結構簡單,運轉平衡、性能可靠、高效低耗、保養維修方便,其總體技術水平處於國內領先地位,是現階段耐腐蝕領域中理想的選用泵型。
適用於輸送各種濃度鹽酸、低濃度硫酸等非氧化性強酸、有機酸、無機鹽類及多種有機溶劑,廣泛適用於化工、石化、製藥、農藥、日化、化纖、水處理、機械、冶金、環保等行業的防腐蝕領域。
本司玻璃鋼泵全部采用計算機設計和優化處理,公司擁有雄厚的技術力量、豐富的生產經驗和完善的檢測手段,從而保證產品質量的穩定可靠。
技術參數:
流量:3.2~12.5m3/h;
揚程:12.5~32m;
轉速:2900r/min;
功率:0.75~4KW;
口徑:25 ~ 50mm,
適用溫度:<100℃。
適用範圍 本玻璃鋼泵廣泛適用於化工、石化、製藥、農藥、日化、化纖、水處理、機械、冶金、環保等行業的防腐蝕領域。
上一條信息:IS化工泵
下一條信息:GBY型襯氟麻豆成人APP下载




